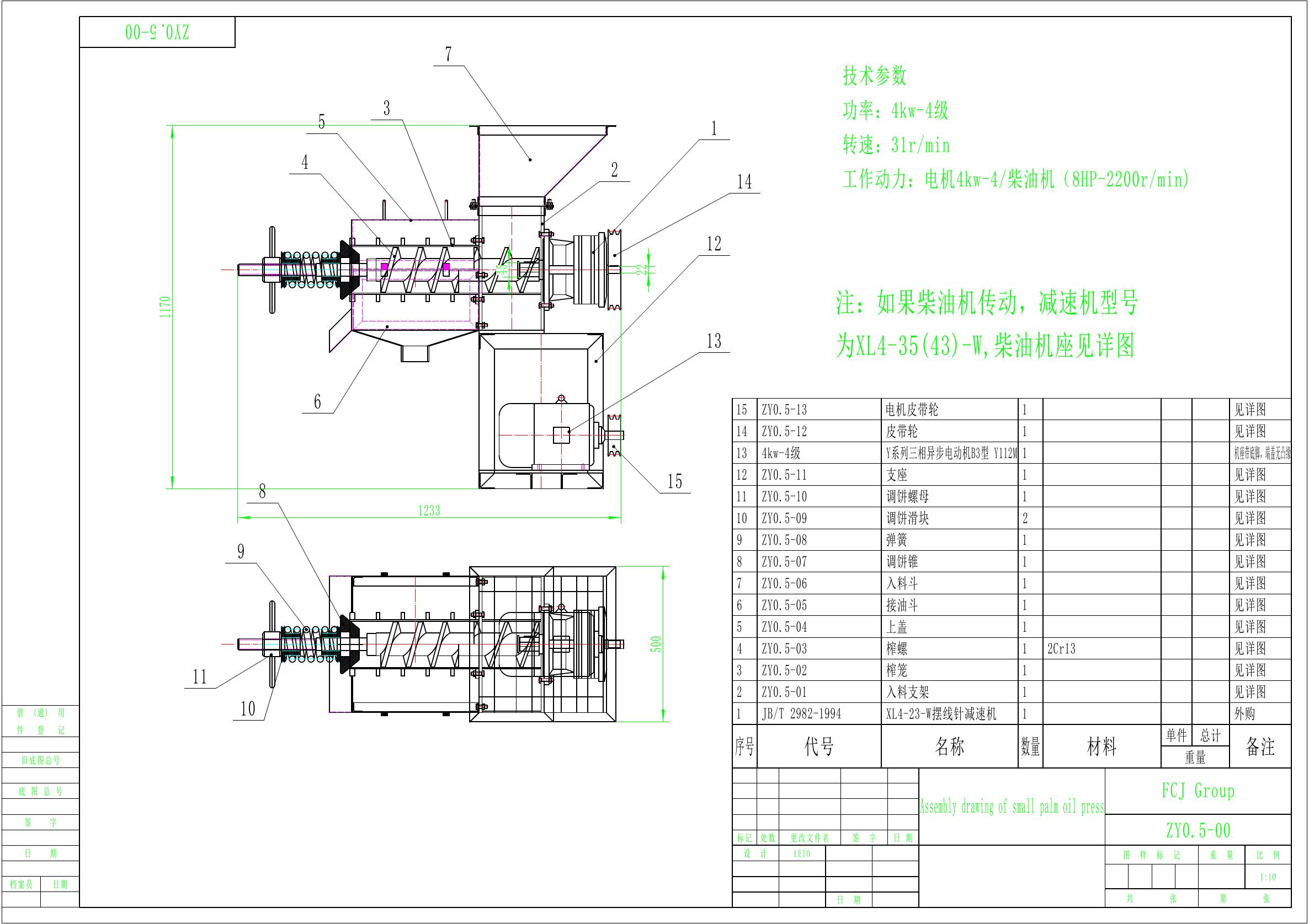
ZY-0.5 type single spiral palm oil press
company is suitable for palm fruit vegetable oil. The product has the characteristics of small investment, high output, wide applicability and high efficiency, and is widely used in small refineries and township enterprises..
ZY-0.5 combination oil press is a new product developed on the basis of a single machine in order to meet the market demand. It can shorten the preparation time before pressing, reduce energy consumption and machine wear. This model has a compact structure, a small footprint, and saves manpower. It is an ideal equipment for small and medium-sized refineries and edible oil production enterprises.
